Copyright © Powerite - Division of Kinetrol Ltd. All rights reserved. Privacy Policy.

Tel.

Fax.

Email

Powerite - Division of Kinetrol Ltd

Unit 5 Steelpark Trading Estate,

Steelpark Way,

Wednesfield,

WV11 3BF

01902 780700

01902 780701

sales@kinetrol.uk

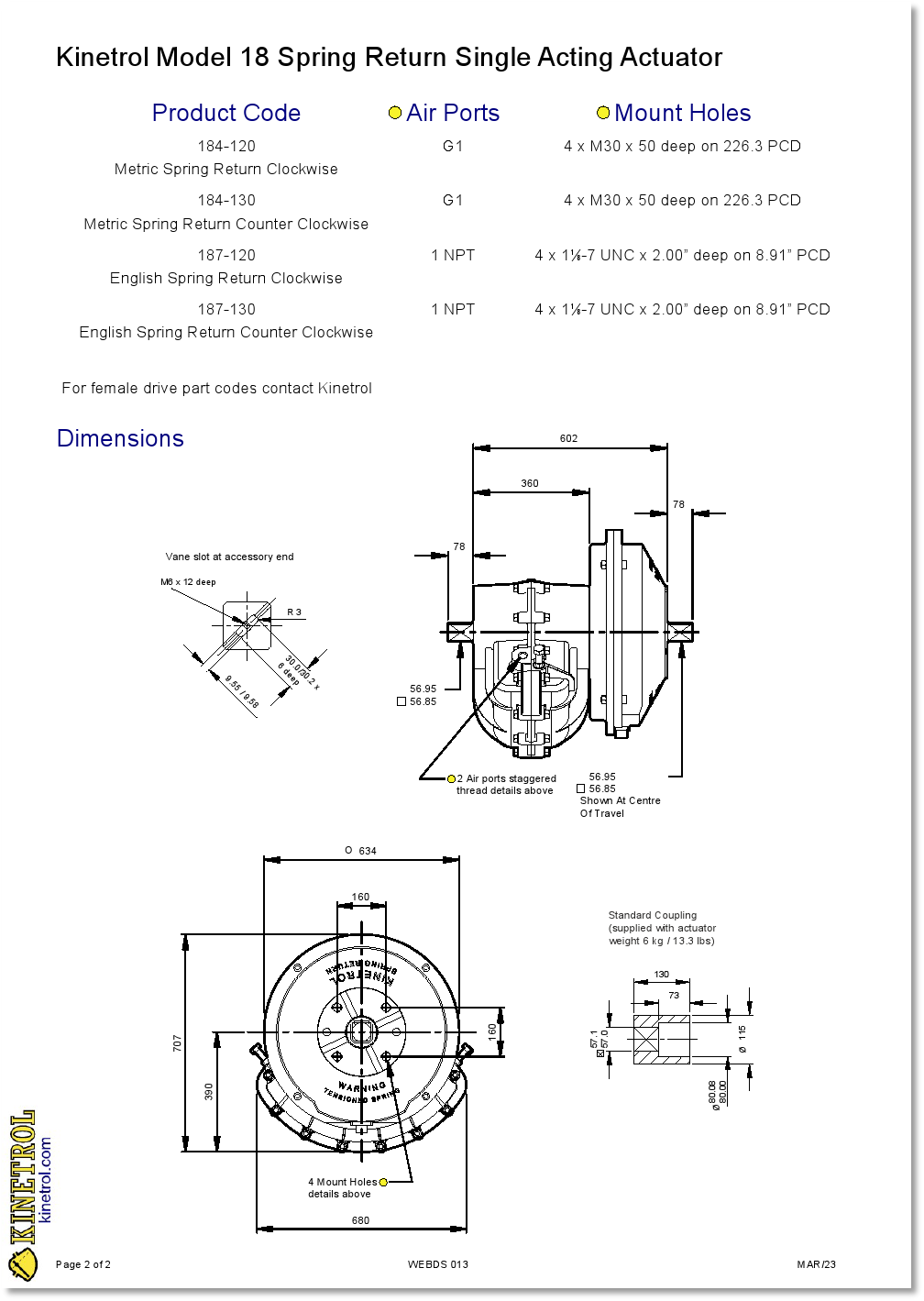
Download page as PDF Model18actuator model180actuator Model18spring model180spring